INTERRUTTORI DIP-SWITCH

INTERRUTTORE DIP SWITCH DA C.S. 10 POSIZIONI

INTERRUTTORE DIP SWITCH DA C.S. 10 POSIZIONI

CODICE: 2604010

Richiedi preventivo
Scheda Tecnica

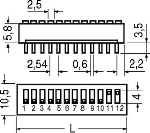
Descrizione: Interruttori Dip-Switch da circuito stampato. In contenitore DIL
Posizioni: 10
Modo di commutazione (la posizione tra parentesi indica una posizione momentanea.): ON-OFF
Capacità di carico DCR(con carico a resistenza): 0,05A / 12V DC
Dimensioni: lunghezza totale 26,86mm
Spaziatura delle derivazioni 2,54mm
Spaziatura tra le file 7,62mm

Annotazioni: commutazione orizzontale, basso profilo
indirizzo del produttore
IN PREPARAZIONE
indirizzo Responsabile EU
Comp.El. Componenti Elettronici
Via Campania, 20/A
09121 CAGLIARI
compel@compel-elettronica.com


Include una batteria tonda a bottone
   Tenere fuori dalla portata dei bambini